Our construction service
The construction service is mostly used existing parts by Reverse-map the Engineering or pre-made concepts in a production to bring just the Form. Just an idea or an application project should be available, please use our Development service .
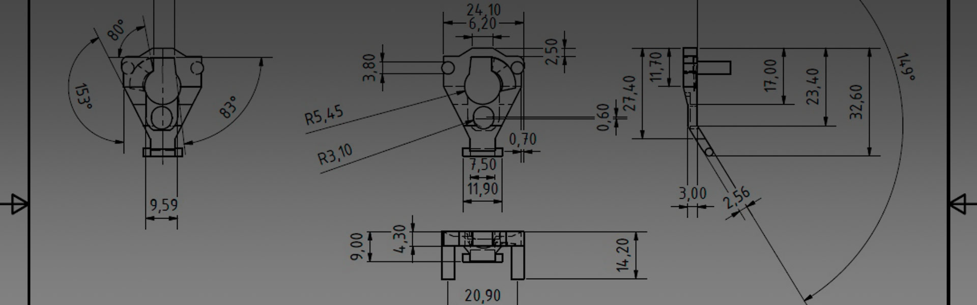
After the completion of your order, you will receive the data in the formats STEP, STL and IPT. Also, you will receive a PDF drawing as well as a rendered image. The PDF-drawing production must be fair, please let us know before placing the order. The PDF is normally used only for the visualization of the most important dimensions.
Please use our contact, If you want to send us an inquiry regarding a technical construction.


